Sveiki, turiu tokia problema, neatsidaro elektroniskai bagazine. Su gelezte atsirakina.
Saugikliai, jungtukas, laidai, spynele - sveiki.
Padetis - uzdaryta/atidaryta mato.
I spynele tiesiai padavus itampa ji veikia.
Neateina viena signalas is kompu.
Buvau bandes atjungt akumuliatoriu keliom valandom, bet nepadejo.
Buvo 2 kartai per menesi uzeja jog atsigave buvo vienai dienai ir vel po to tas pats.
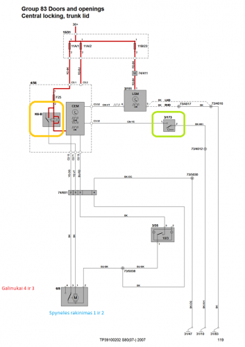
Pagal sita schema tai 1 ir 2 kontaktuose turetu atsirasti itampa rakinant, bet nera
Laidus skambinant spyneles jungties 2 kontaktas skambejo su kitame gale esanciu 1, 3 ir 4 kontaktais. 1 su 5, 3 su 2 ir 4 su 6, tai taip iseina jog laidai nenutruke
Tai cia cem bludija taip iseina tada? Kur apibraukiau tuos 2 komponentus jie neaiskus, turbut yra paciame ceme, viena relike o kitas kaip jungtukas, gal is ju cia kas kaltas
Diagnosika klaidu nemete, nebent bandyt per ja atidaryt bagazine ir ka…login , kad matyti kitus pranešimus
Neatsidaro bagazine S80 II
Forumo taisyklės
1. Kiekviena nauja tema būtinai pradedama, nurodant automobilio modelį ir variklį, pvz.: [V40 1,8i] Nedega STOP žibintai. Temos, pavadintos „PROBLEMA!!!“, „PAGALBOS“ arba „Nežinau, kas yra?“ ir panašios bus tuojau pat užrakinamos arba trinamos!
2. Temos pavadinimas turi trumpai ir tiksliai apibūdinti problemą (ne „stabdžiai“ o „kaip nuorinti stabdžių sistemą?“)
3. Pranešime prašome tiksliai ir pilnai aprašyti apie ką eina kalba, kad nereikėtų sekančiuose 10 pranešimų klausinėti, aiškinantis, kas įvyko...
4. Atsakantis asmuo turi atsakymą rašyti konkrečiai, o ne „lygtai taip turėtų būti“, atrodo taip, bet nesu tikras“ ir panašiai. Pagrindinė taisyklė: „NEŽINAI – NERAŠYK!“
5. Pranešimų nerašome didžiosiomis raidėmis!!! Tai traktuojama kaip triukšmavimas, rėkimas ir nepagarba kitiems!
6. Prašome nekurti tokių pačių temų kelis kartus – tai bus traktuojama kaip spamas ir baudžiama perspėjimu.
7. Prieš užduodami klausimus, pasidarykite automobilo diagnostiką.
1. Kiekviena nauja tema būtinai pradedama, nurodant automobilio modelį ir variklį, pvz.: [V40 1,8i] Nedega STOP žibintai. Temos, pavadintos „PROBLEMA!!!“, „PAGALBOS“ arba „Nežinau, kas yra?“ ir panašios bus tuojau pat užrakinamos arba trinamos!
2. Temos pavadinimas turi trumpai ir tiksliai apibūdinti problemą (ne „stabdžiai“ o „kaip nuorinti stabdžių sistemą?“)
3. Pranešime prašome tiksliai ir pilnai aprašyti apie ką eina kalba, kad nereikėtų sekančiuose 10 pranešimų klausinėti, aiškinantis, kas įvyko...
4. Atsakantis asmuo turi atsakymą rašyti konkrečiai, o ne „lygtai taip turėtų būti“, atrodo taip, bet nesu tikras“ ir panašiai. Pagrindinė taisyklė: „NEŽINAI – NERAŠYK!“
5. Pranešimų nerašome didžiosiomis raidėmis!!! Tai traktuojama kaip triukšmavimas, rėkimas ir nepagarba kitiems!
6. Prašome nekurti tokių pačių temų kelis kartus – tai bus traktuojama kaip spamas ir baudžiama perspėjimu.
7. Prieš užduodami klausimus, pasidarykite automobilo diagnostiką.
-
Tadasss
- Pranešimai: 89
- Užsiregistravo: 2017 Rgp 11
- Auto: volvo s80
- Miestas: Šiauliai