Sveiki,
jau nuo automobilio įsigijimo, visad šviečia ABS lemputė, o darant diagnostiką su diodais niekas apskritai nereaguoja ir nemeta jokio kodo, todėl nutariau automobilyje pasikeisti ABS'o kompiuterį. Šrote jį davė kartu su visu ABS bloku. Nuėmus senąjį kompiuterį, pamačiau, jog šių detalių kodai nesutampa. Vis dėlto prijungiau naująjį kompiuterį prie automobilyje esančio ABS bloko, bet bandymas nepavyko: nors jau diodais testuoti galima, bet meta klaidą (4-1-1 arba 4-1-2) ir, aišku, ABS'o lemputė salone neužgęsta (nors, kai naująjį kompiuterį, neatjungtą nuo kartu su juo esančio ABS bloko, pabandymui prijungiau prie sistemos, užvedus variklį ABS'o lemputė užgeso). Vadinasi, naujajam kompiuteriui netinka senasis ABS blokas.
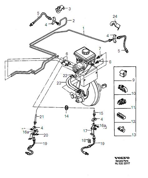
Todėl belieka pasikeisti ir patį bloką. Tačiau jisai yra, kaip "Vadis" vadina, "TRACS" versijos, dėl to visi stabdžių vamzdeliai yra susukti viename šone, t. y. k…login to view the rest of this post
[440 1,7i 94m.] stabdžių vamzdelių eiliškumas ABS bloke
Forumo taisyklės
1. Kiekviena nauja tema būtinai pradedama, nurodant automobilio modelį ir variklį, pvz.: [V40 1,8i] Nedega STOP žibintai. Temos, pavadintos „PROBLEMA!!!“, „PAGALBOS“ arba „Nežinau, kas yra?“ ir panašios bus tuojau pat užrakinamos arba trinamos!
2. Temos pavadinimas turi trumpai ir tiksliai apibūdinti problemą (ne „stabdžiai“ o „kaip nuorinti stabdžių sistemą?“)
3. Pranešime prašome tiksliai ir pilnai aprašyti apie ką eina kalba, kad nereikėtų sekančiuose 10 pranešimų klausinėti, aiškinantis, kas įvyko...
4. Atsakantis asmuo turi atsakymą rašyti konkrečiai, o ne „lygtai taip turėtų būti“, atrodo taip, bet nesu tikras“ ir panašiai. Pagrindinė taisyklė: „NEŽINAI – NERAŠYK!“
5. Pranešimų nerašome didžiosiomis raidėmis!!! Tai traktuojama kaip triukšmavimas, rėkimas ir nepagarba kitiems!
6. Prašome nekurti tokių pačių temų kelis kartus – tai bus traktuojama kaip spamas ir baudžiama perspėjimu.
1. Kiekviena nauja tema būtinai pradedama, nurodant automobilio modelį ir variklį, pvz.: [V40 1,8i] Nedega STOP žibintai. Temos, pavadintos „PROBLEMA!!!“, „PAGALBOS“ arba „Nežinau, kas yra?“ ir panašios bus tuojau pat užrakinamos arba trinamos!
2. Temos pavadinimas turi trumpai ir tiksliai apibūdinti problemą (ne „stabdžiai“ o „kaip nuorinti stabdžių sistemą?“)
3. Pranešime prašome tiksliai ir pilnai aprašyti apie ką eina kalba, kad nereikėtų sekančiuose 10 pranešimų klausinėti, aiškinantis, kas įvyko...
4. Atsakantis asmuo turi atsakymą rašyti konkrečiai, o ne „lygtai taip turėtų būti“, atrodo taip, bet nesu tikras“ ir panašiai. Pagrindinė taisyklė: „NEŽINAI – NERAŠYK!“
5. Pranešimų nerašome didžiosiomis raidėmis!!! Tai traktuojama kaip triukšmavimas, rėkimas ir nepagarba kitiems!
6. Prašome nekurti tokių pačių temų kelis kartus – tai bus traktuojama kaip spamas ir baudžiama perspėjimu.
- tautvis
- Pranešimai: 38
- Užsiregistravo: 2009 Rgs 24 00:28
- Auto: Volvo C70, T5, 99 m., benzinas/dujos
- Miestas: Kaunas
[440 1,7i 94m.] stabdžių vamzdelių eiliškumas ABS bloke
tautvis
Volvo 440 1.8i LPG 94m. (jau rieda
)
Volvo 440 1.7 92m. (išardyta - jei kam ko reikia, prašom nepasididžiuoti ir kreiptis
)
tel. 867139570 (tele2), 862993010 (omnitel)
el. p. tautvydas.sukys@gmail.com
Volvo 440 1.8i LPG 94m. (jau rieda
Volvo 440 1.7 92m. (išardyta - jei kam ko reikia, prašom nepasididžiuoti ir kreiptis
tel. 867139570 (tele2), 862993010 (omnitel)
el. p. tautvydas.sukys@gmail.com
This topic has 1 reply
You must be a registered member and logged in to view the replies in this topic.
Registruotis Prisijungti